Achtung - Bauarbeiten auf Troisdorfer Straßen Rathaus der Stadt Troisdorf Kölner Straße 176

Achtung - Bauarbeiten auf Troisdorfer Straßen

Meldung

25.03.2020: Achtung - Bauarbeiten auf Troisdorfer Straßen

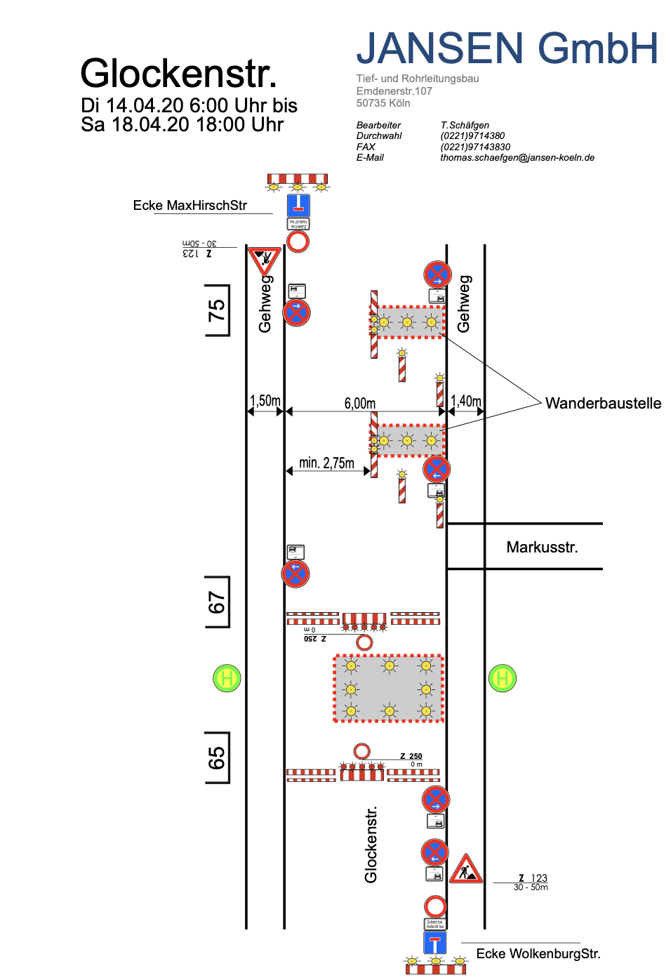
Glockenstraße in Bergheim gesperrt

Wegen der Erneuerung von Versorgungsleitungen muss die Glockenstraße in Troisdorf-Bergheim vom 14.04.2020 bis zum 18.04.2020 zwischen Haus 65 und 67 halbseitig und zwischen Haus 67 und 75 voll gesperrt werden.

Die Umleitung erfolgt über die Rheinstraße und die Straße Zum Kalkofen.

Bildschirmfoto 2020-03-24 um 12.57.50
Bildschirmfoto 2020-03-24 um 12.57.30

mehr